Ložisko 30221 - ZKL NEW

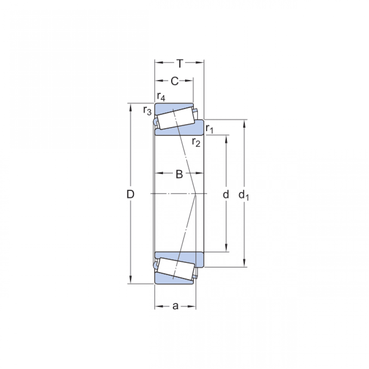
Rozmer: 105x190x39,00 Značka: ZKL
Externý sklad na dopyt
+
-
ks