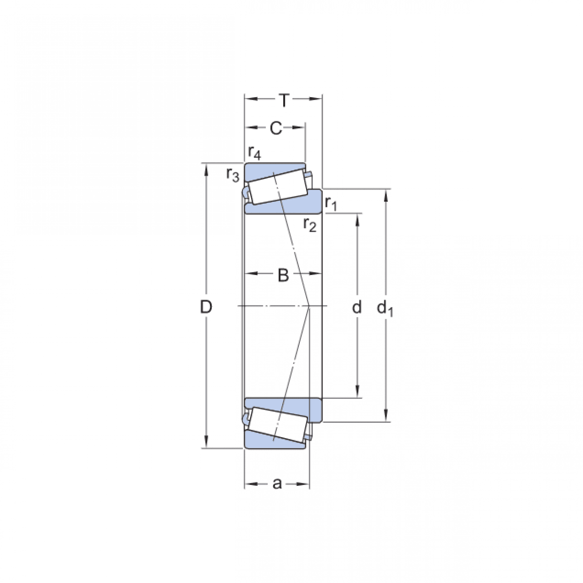
Ložisko 30222 - KBS

Rozmer: 110x200x41,00 Značka: KBS, KBC
Externý sklad na dopyt
+
-
ks