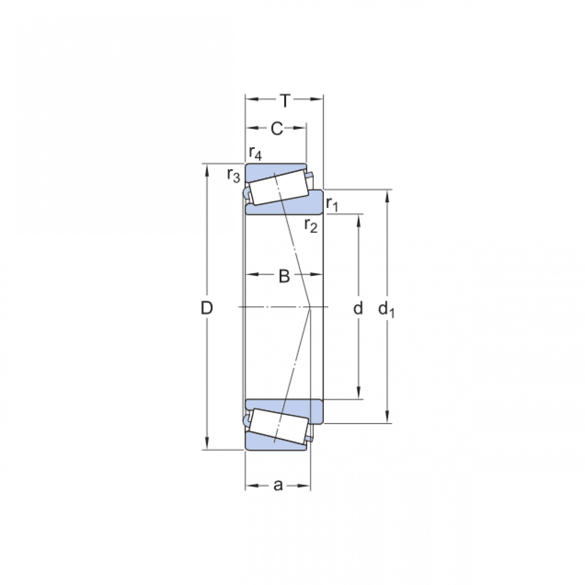
Ložisko 30224 - CX

Rozmer: 120x215x43,50 Značka: CX
Externý sklad na dopyt
+
-
ks