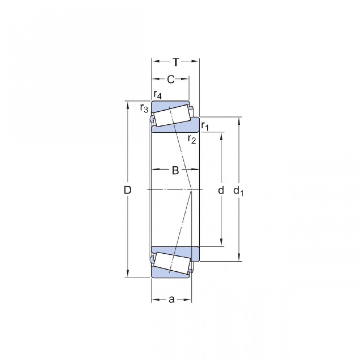
Ložisko 30226 A - ZKL

Rozmer: 130x230x43,75 Značka: ZKL
Externý sklad na dopyt
+
-
ks