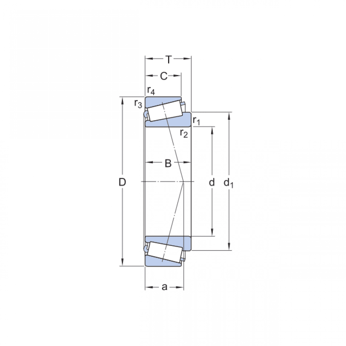
Ložisko 30226 - CX

Rozmer: 130x230x43,75 Značka: CX
Externý sklad na dopyt
+
-
ks