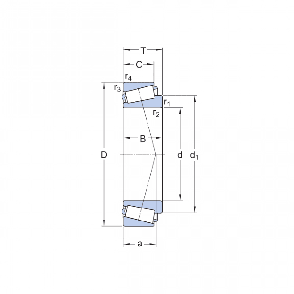
Ložisko 30226 JR - KOYO

Rozmer: 130x230x43,75 Značka: KOYO-TORRINGTON
Externý sklad na dopyt
+
-
ks