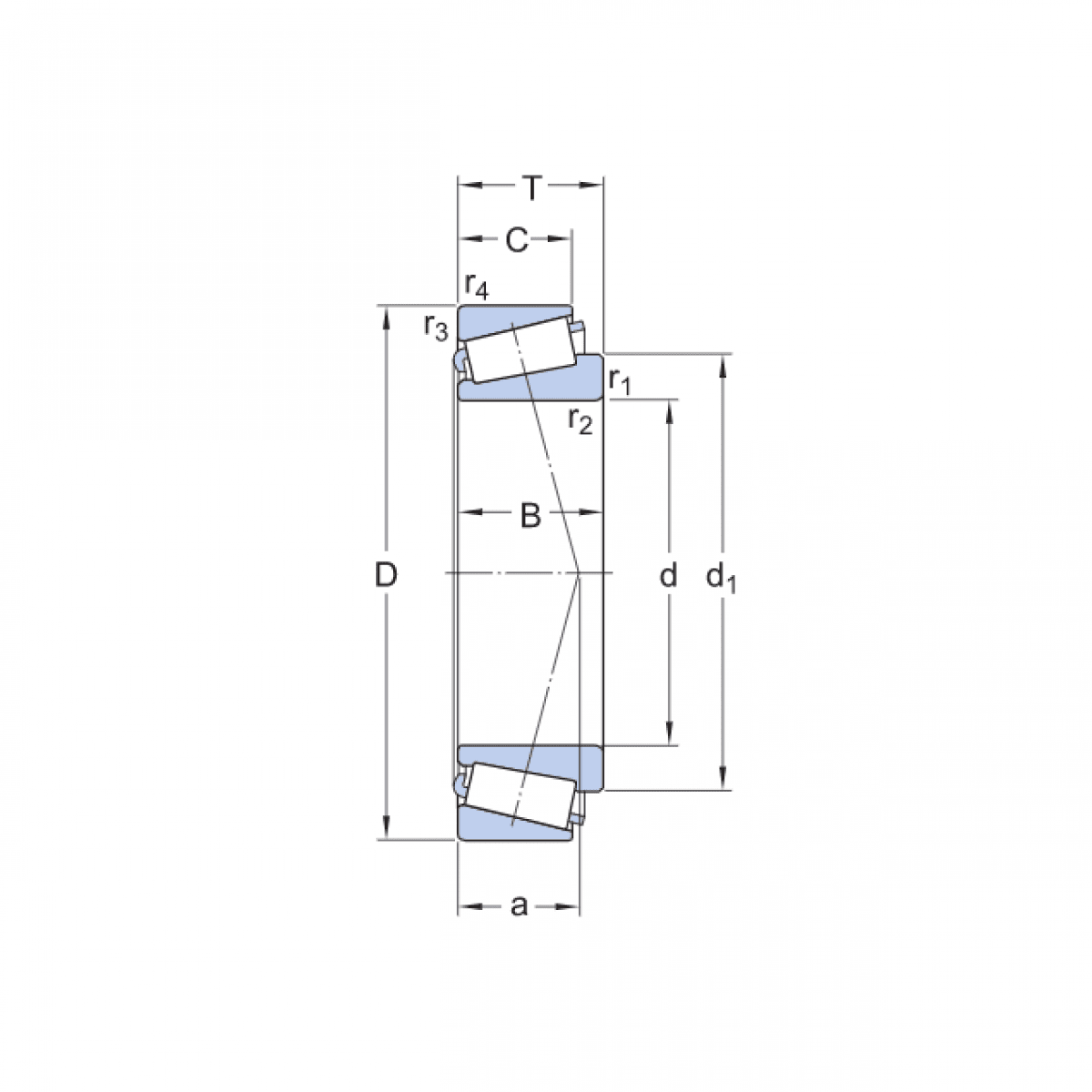
Ložisko 30302 - KBS

Rozmer: 15x42x14,25 Značka: KBS, KBC
Externý sklad na dopyt
+
-
ks