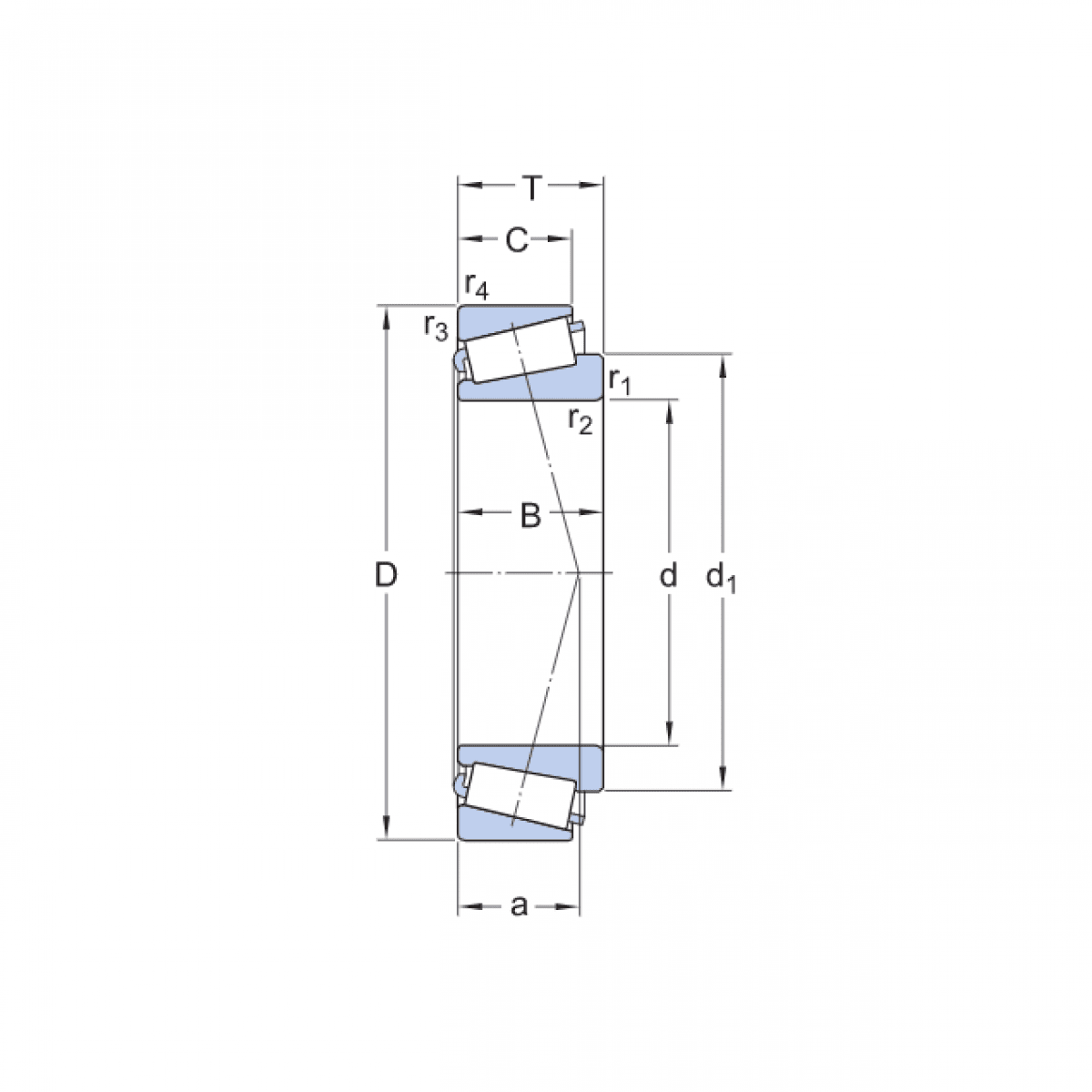
Ložisko 30304 - ISB

Rozmer: 20x52x16,25 Značka: ISB, JNS
Externý sklad na dopyt
+
-
ks