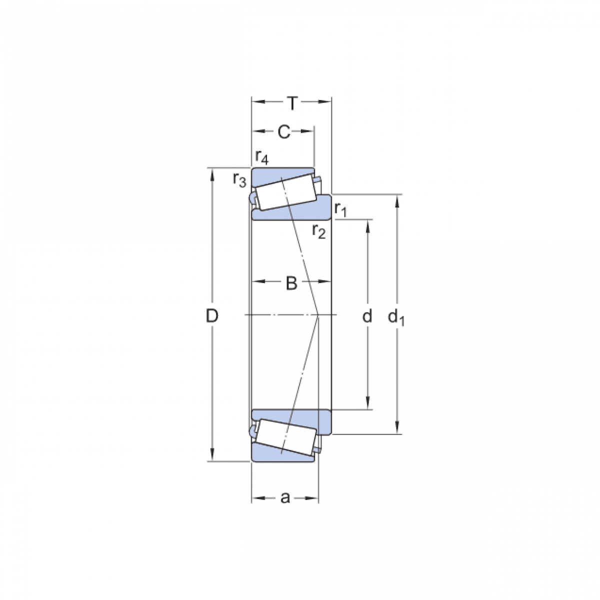
Ložisko 30305 A - KINEX

Rozmer: 25x62x18,25 Značka: KINEX
Externý sklad na dopyt
+
-
ks