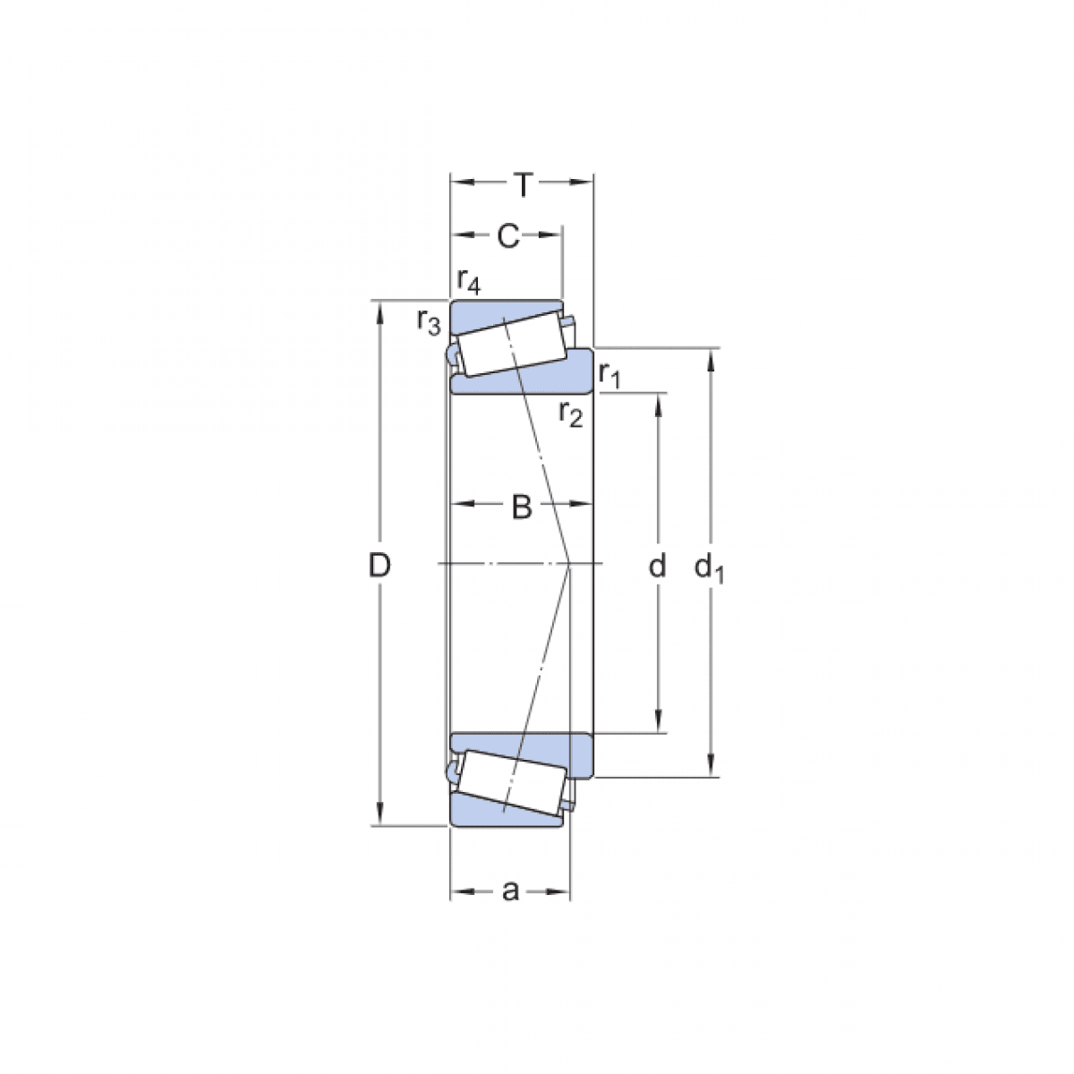
Ložisko 30305 - ISB

Rozmer: 25x62x18,25 Značka: ISB, JNS
Externý sklad na dopyt
+
-
ks