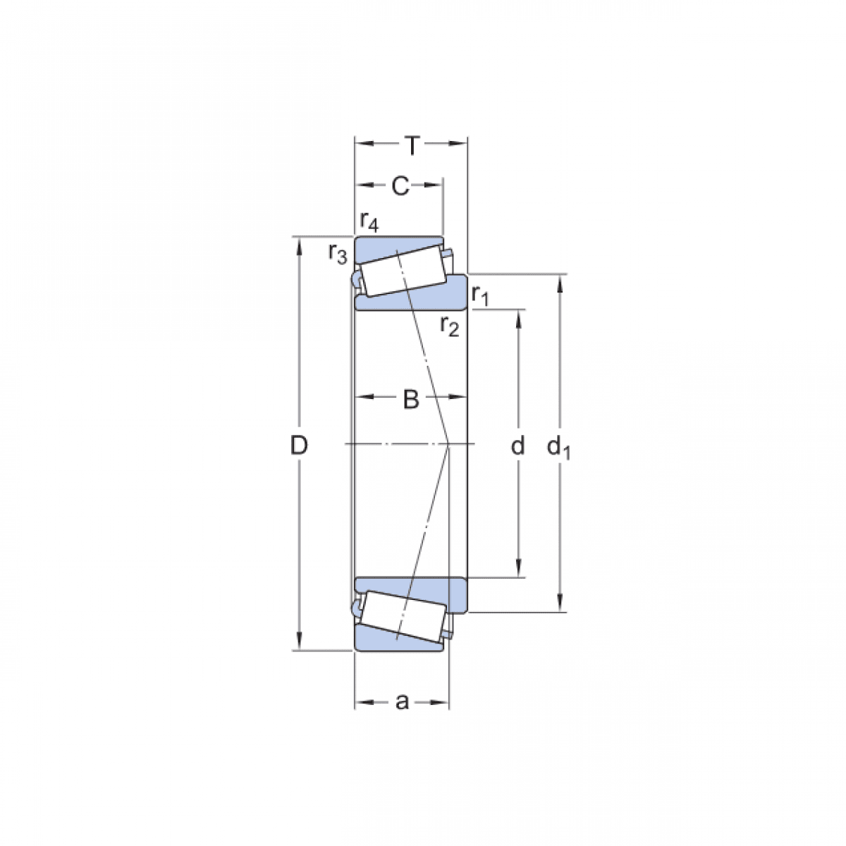
Ložisko 30305 J - NSK

Rozmer: 25x62x18,25 Značka: NSK
Externý sklad na dopyt
+
-
ks