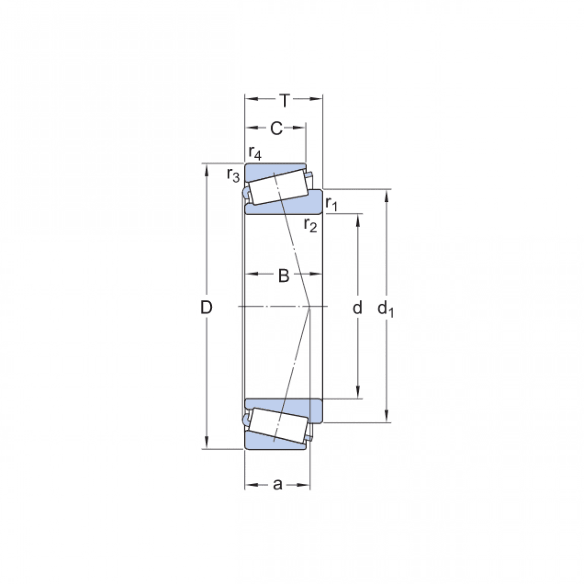
Ložisko 31308 - KINEX

Rozmer: 40x90x25,25 Značka: KINEX
Externý sklad na dopyt
+
-
ks