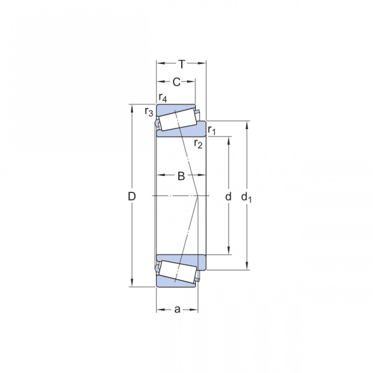
Ložisko 32004 P6 - BBC

Rozmer: 20x42x15 Značka: BBC
Externý sklad na dopyt
+
-
ks