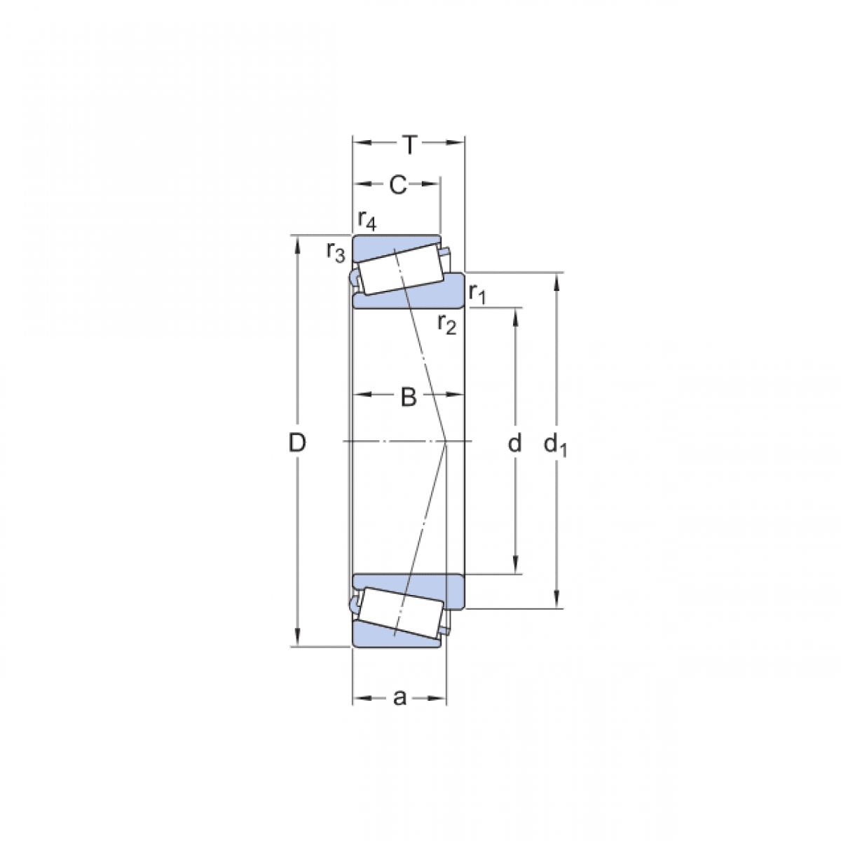
Ložisko 32006 - KINEX

Rozmer: 30x55x17 Značka: KINEX
Externý sklad na dopyt
+
-
ks