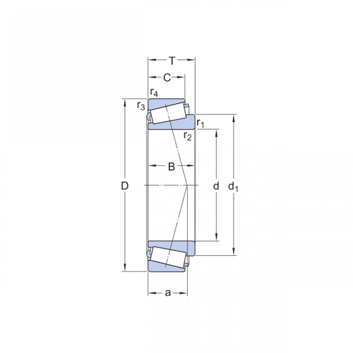
Ložisko 32006 P6 - BBC

Rozmer: 30x55x17 Značka: BBC
Skladom 10 ks na dopyt
+
-
ks