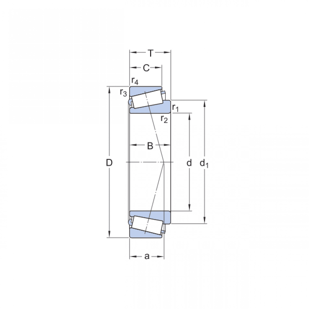
Ložisko 32007 - BBC

Rozmer: 35x62x18 Značka: BBC
Skladom 10 ks na dopyt
+
-
ks