Ložisko 32007 X - FAG

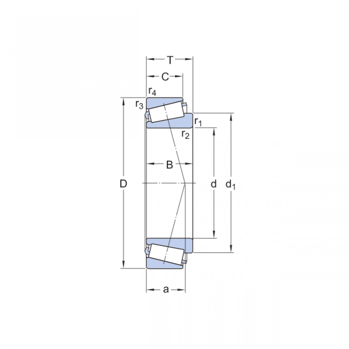
Rozmer: 35x62x18 Značka: FAG
Externý sklad na dopyt
+
-
ks