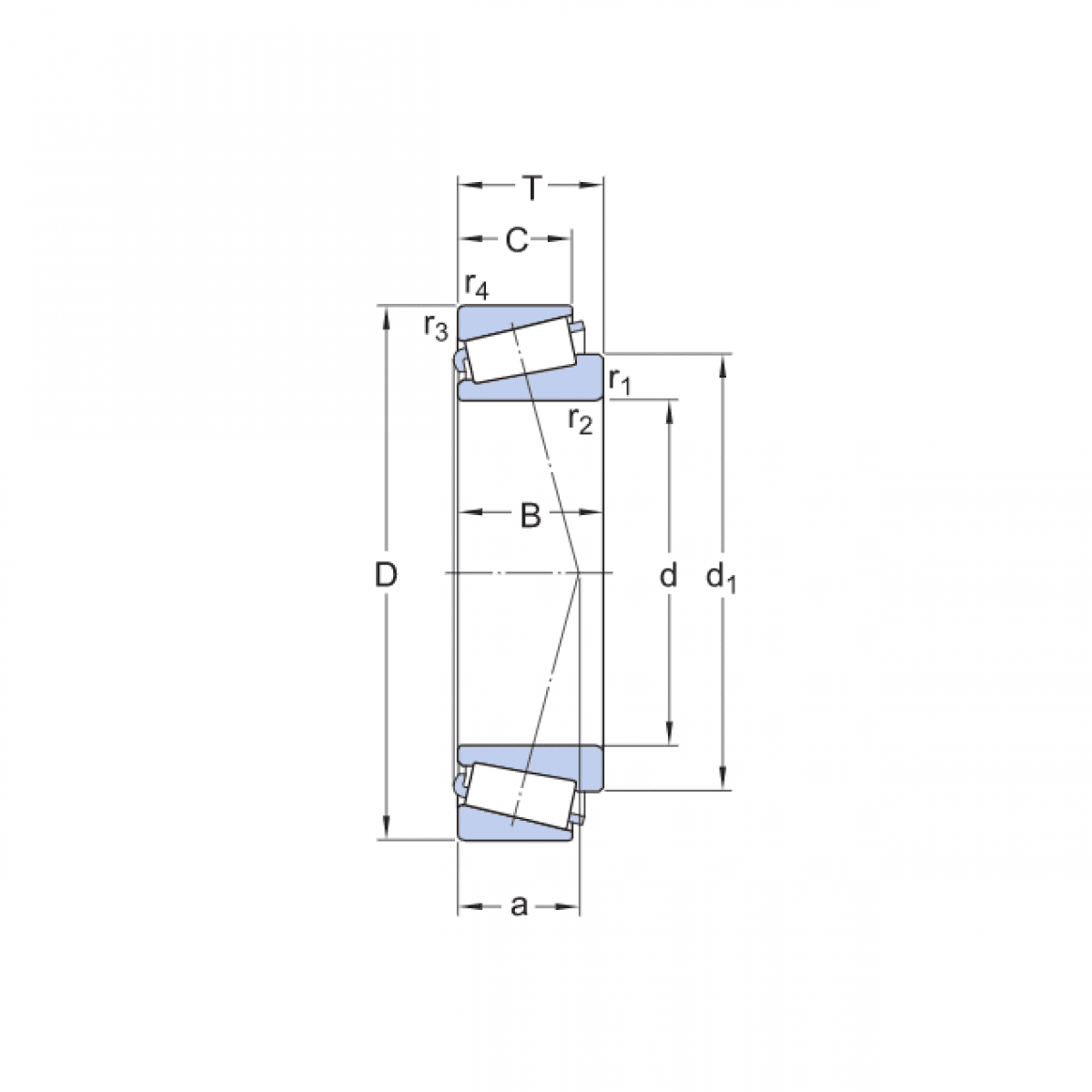
Ložisko 32014 P6 - BBC

Rozmer: 70x110x25 Značka: BBC
Skladom 2 ks na dopyt
+
-
ks