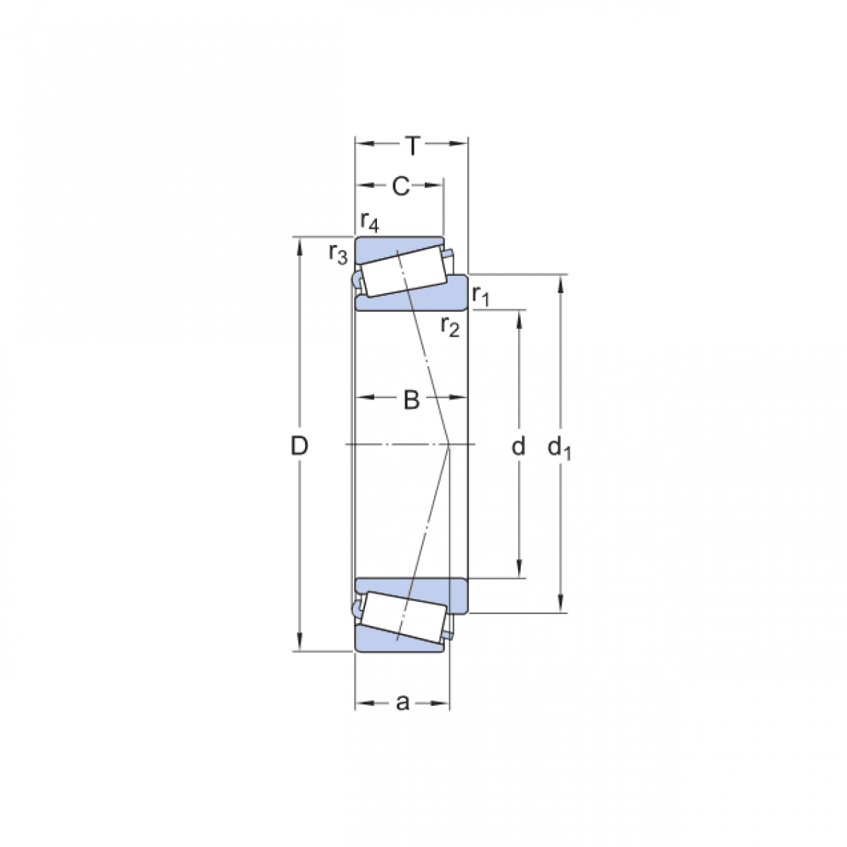
Ložisko 32020 P6 - BBC

Rozmer: 100x150x32 Značka: BBC
Externý sklad na dopyt
+
-
ks