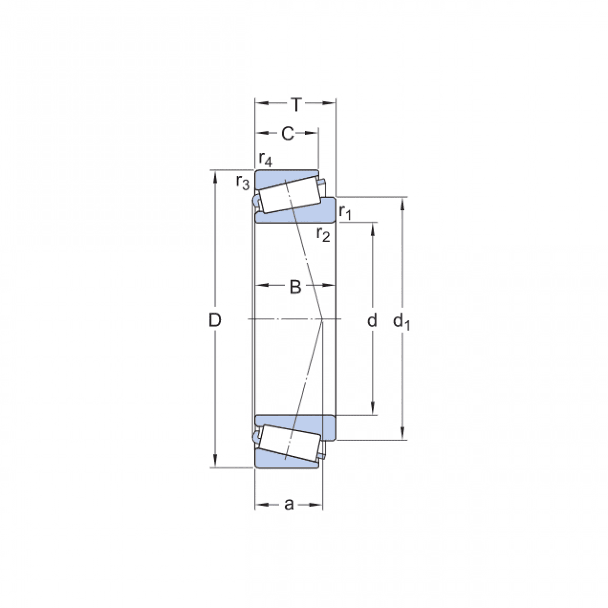
Ložisko 32021 - CX

Rozmer: 105x160x35 Značka: CX
Skladom 3 ks na dopyt
+
-
ks