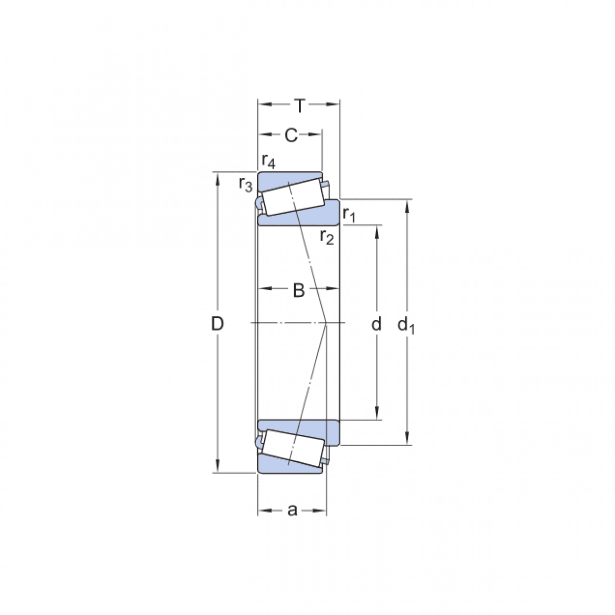
Ložisko 32021 - ZLK

Rozmer: 105x160x35 Značka: ZLK
Skladom 1 ks na dopyt
+
-
ks