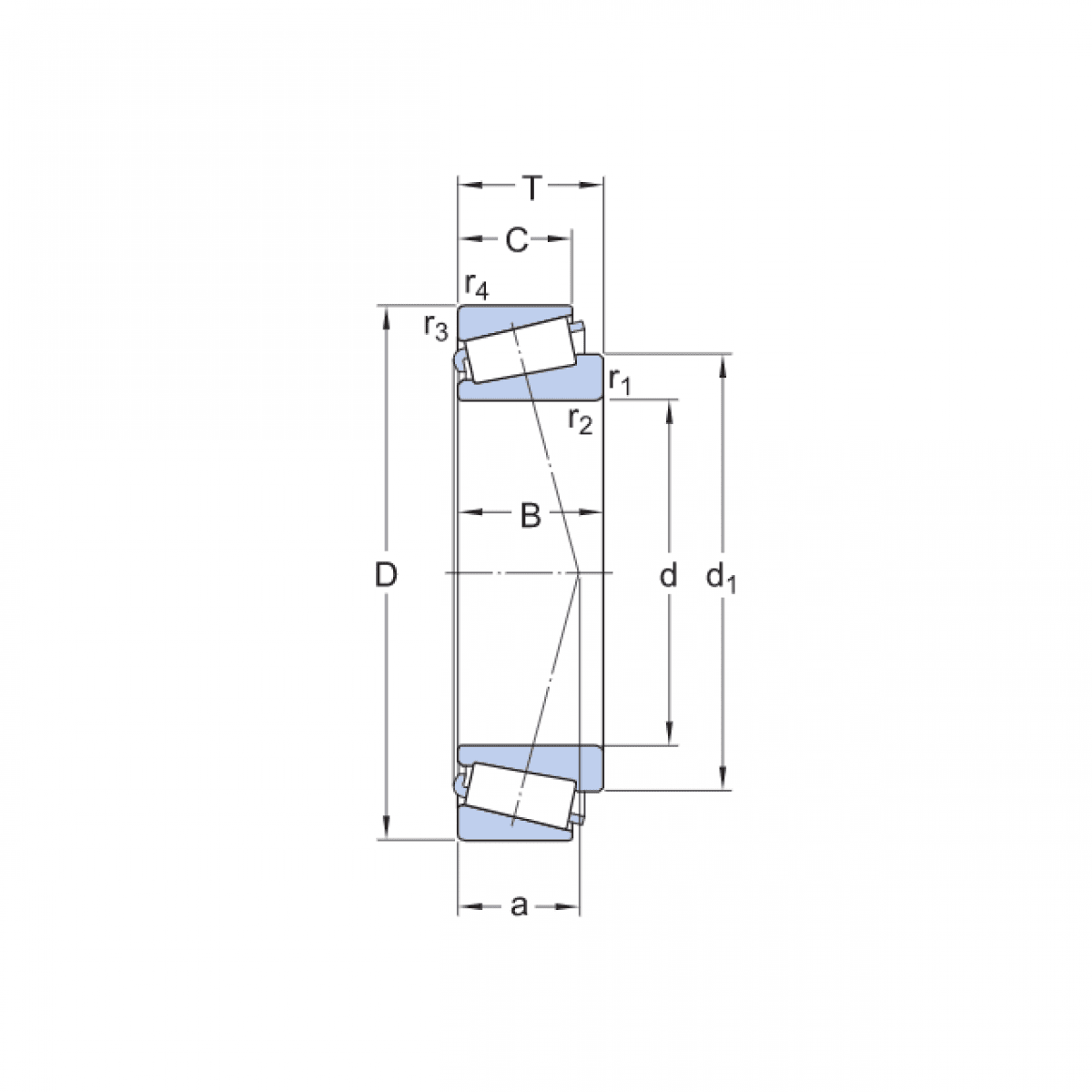
Ložisko 32022 AX - CX

Rozmer: 110x170x38 Značka: CX
Skladom 1 ks na dopyt
+
-
ks