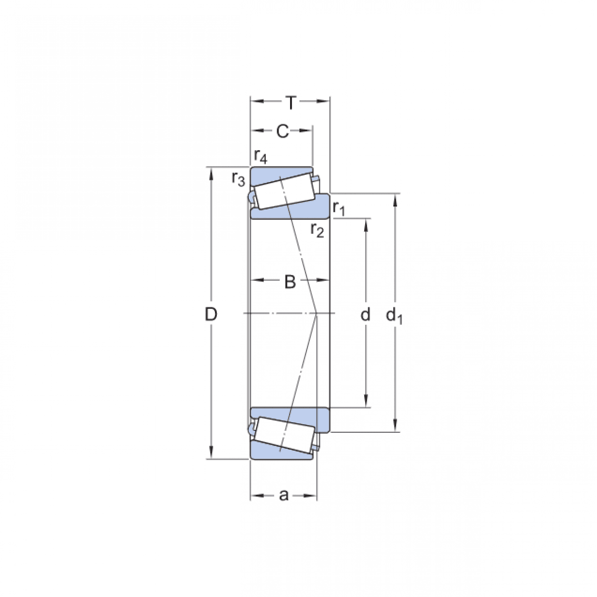
Ložisko 32022 AX - FAG

Rozmer: 110x170x38 Značka: FAG
Externý sklad na dopyt
+
-
ks