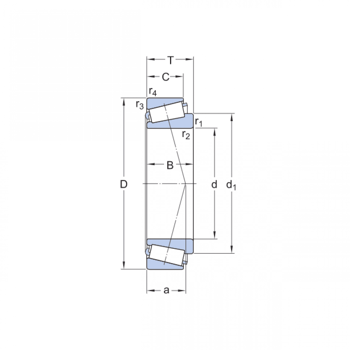
Ložisko 32022 - MTM

Rozmer: 110x170x38 Značka: MTM
Externý sklad na dopyt
+
-
ks