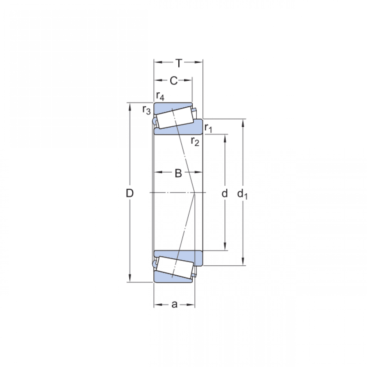
Ložisko 32022 - ZVL-PSL

Rozmer: 110x170x38 Značka: ZKL
Externý sklad na dopyt
+
-
ks