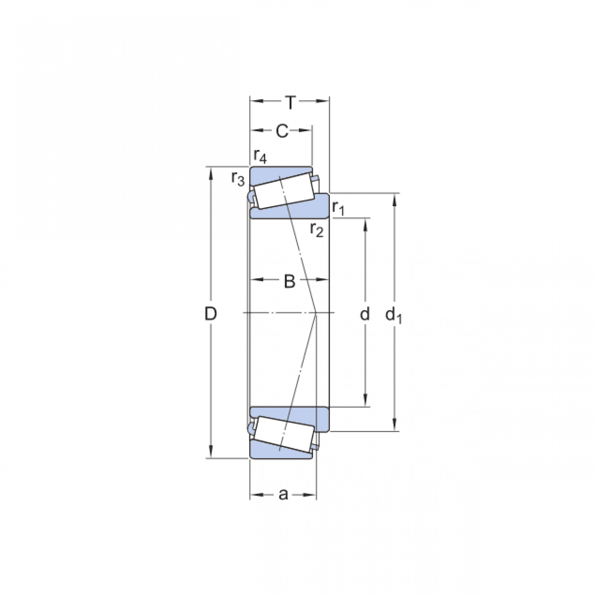
Ložisko 32024 AX - CX

Rozmer: 120x180x38 Značka: CX
Externý sklad na dopyt
+
-
ks