Ložisko 32024 AX - ZKL NEW

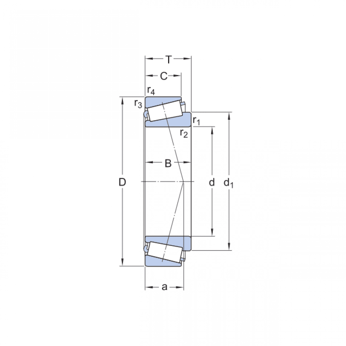
Rozmer: 120x180x38 Značka: ZKL
Externý sklad na dopyt
+
-
ks