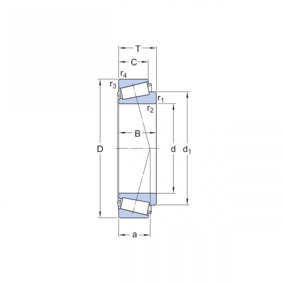
Ložisko 32024 - ISB

Rozmer: 120x180x38 Značka: ISB, JNS
Externý sklad na dopyt
+
-
ks