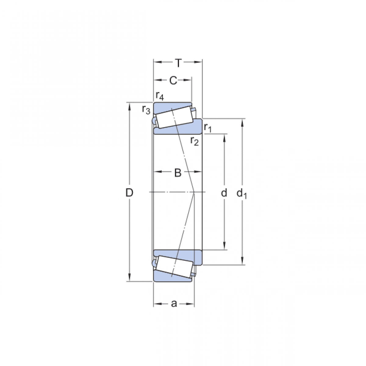
Ložisko 32024 JR - KOYO

Rozmer: 120x180x38 Značka: KOYO-TORRINGTON
Externý sklad na dopyt
+
-
ks