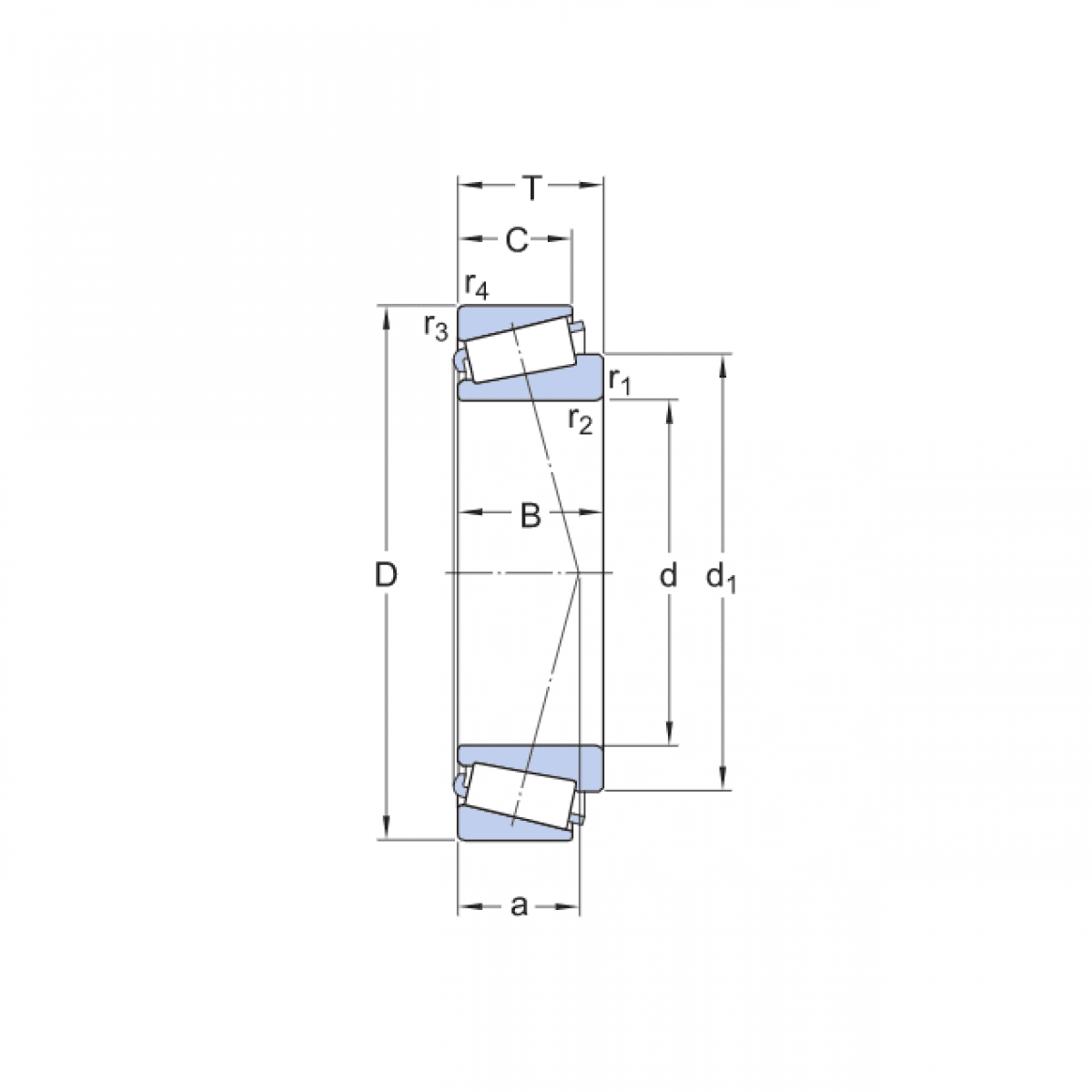
Ložisko 32028 AX - CX

Rozmer: 140x210x45,00 Značka: CX
Externý sklad na dopyt
+
-
ks