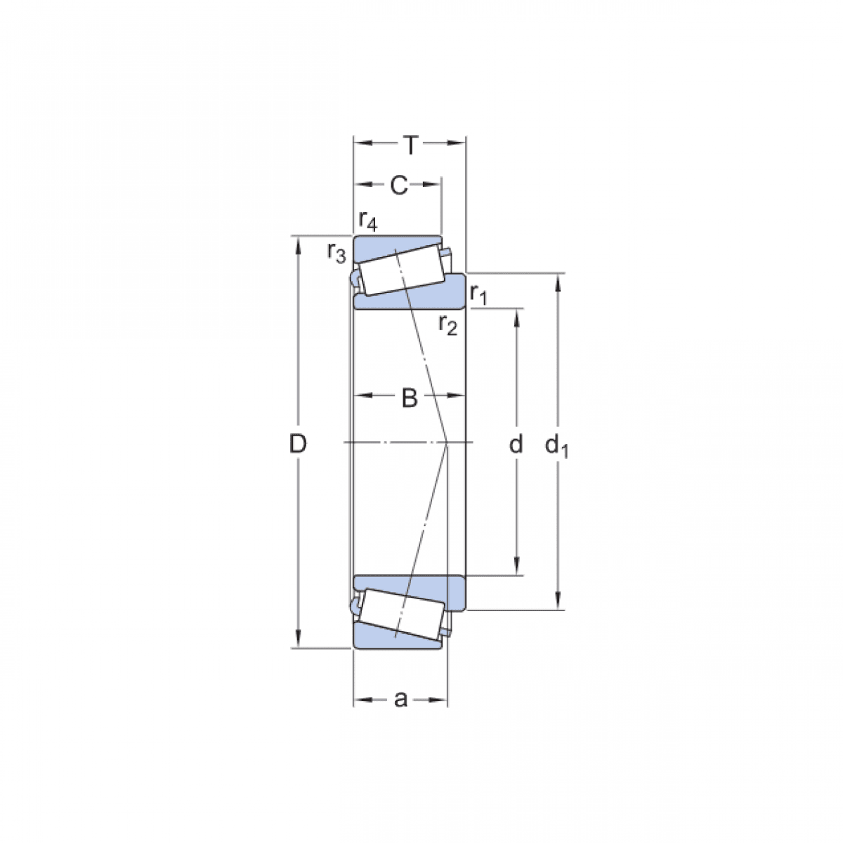
Ložisko 32028 AX - MTM

Rozmer: 140x210x45,00 Značka: MTM
Externý sklad na dopyt
+
-
ks