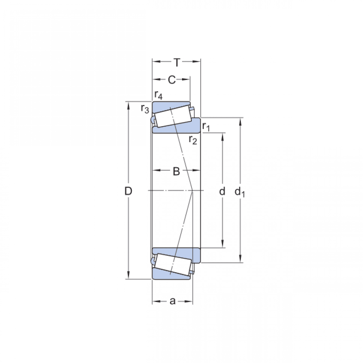
Ložisko 320/28 XJ - NSK

Rozmer: 28x52x16 Značka: NSK
Externý sklad na dopyt
+
-
ks