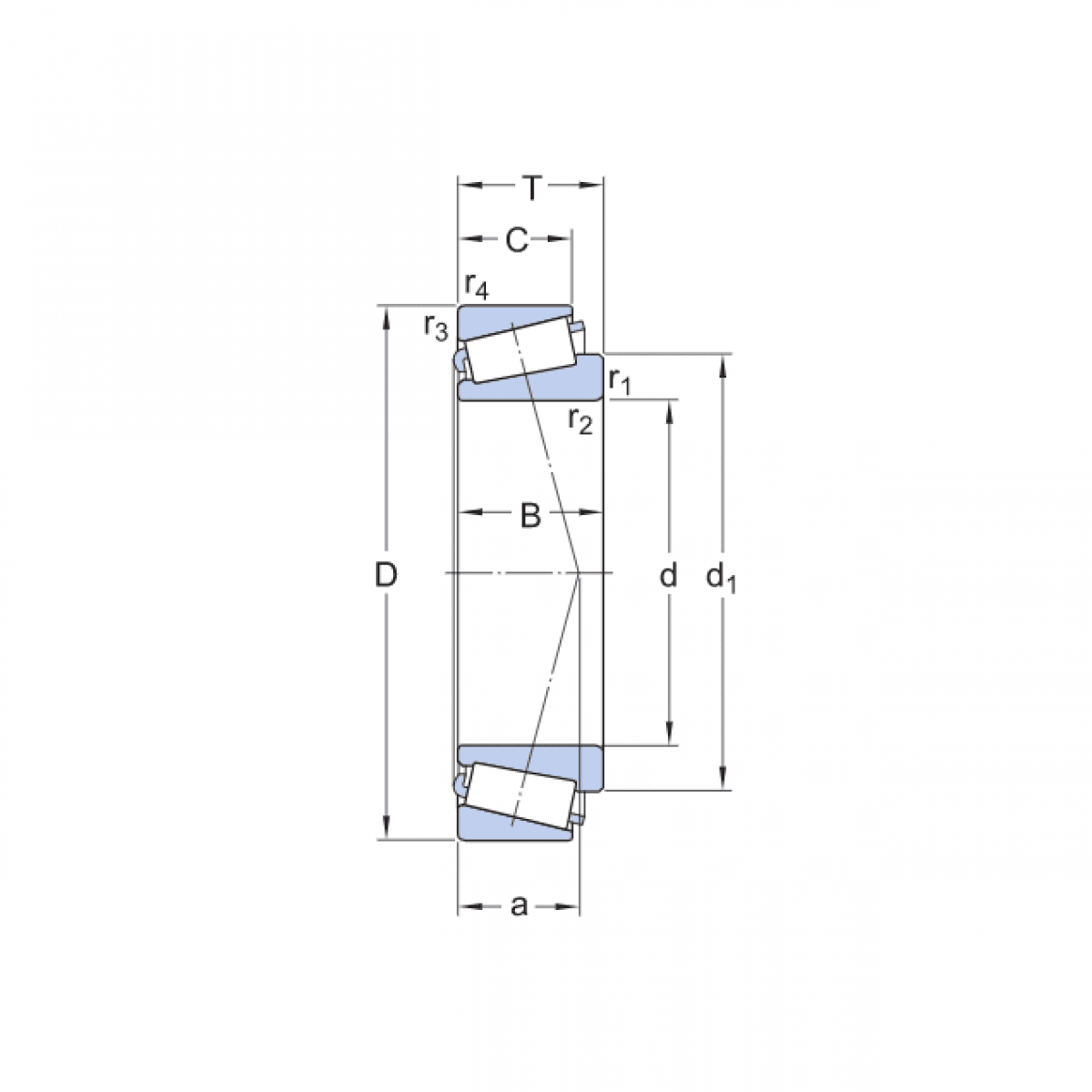
Ložisko 32028 XL - FAG

Rozmer: 140x210x45,00 Značka: FAG
Externý sklad na dopyt
+
-
ks