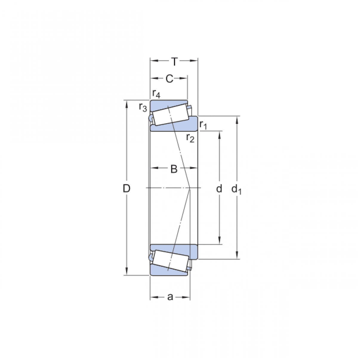
Ložisko 32034 - CX

Rozmer: 160x240x51 Značka: CX
Externý sklad na dopyt
+
-
ks