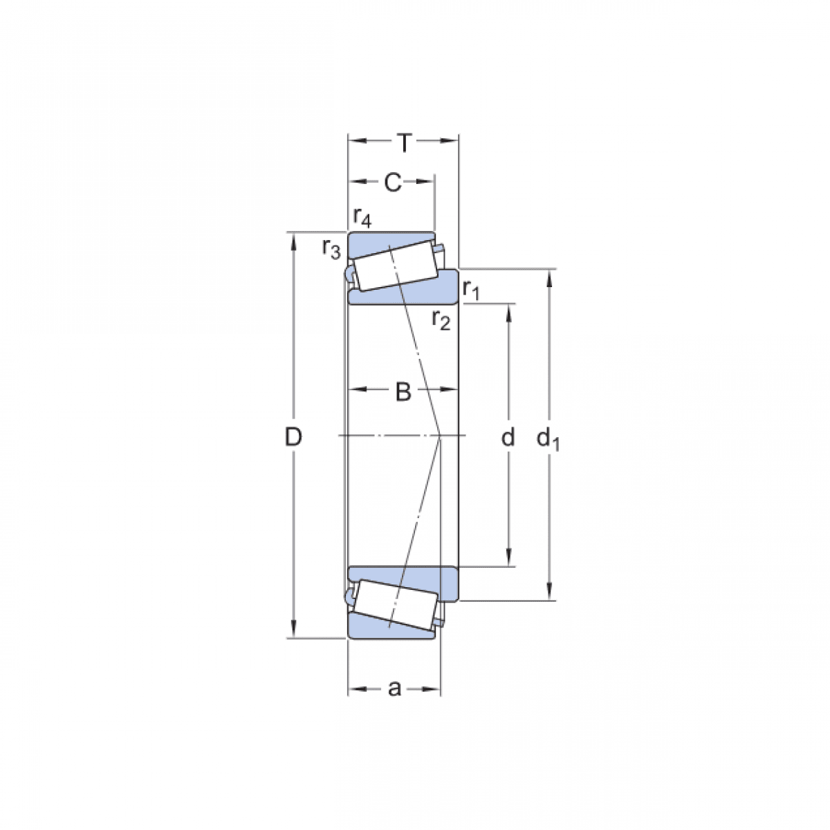
Ložisko 32056 X - SKF

Rozmer: 280x420x87/65 Značka: SKF
Externý sklad na dopyt
+
-
ks