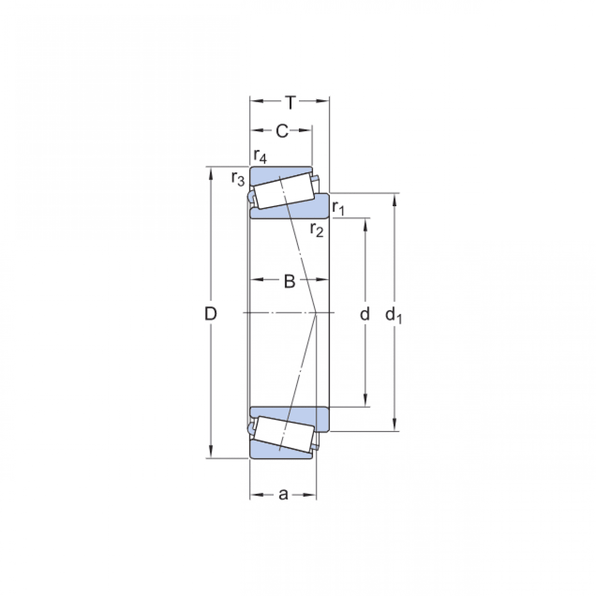
Ložisko 32204 - NIS

Rozmer: 20x47x19,25/15 Značka: NIS
Externý sklad na dopyt
+
-
ks