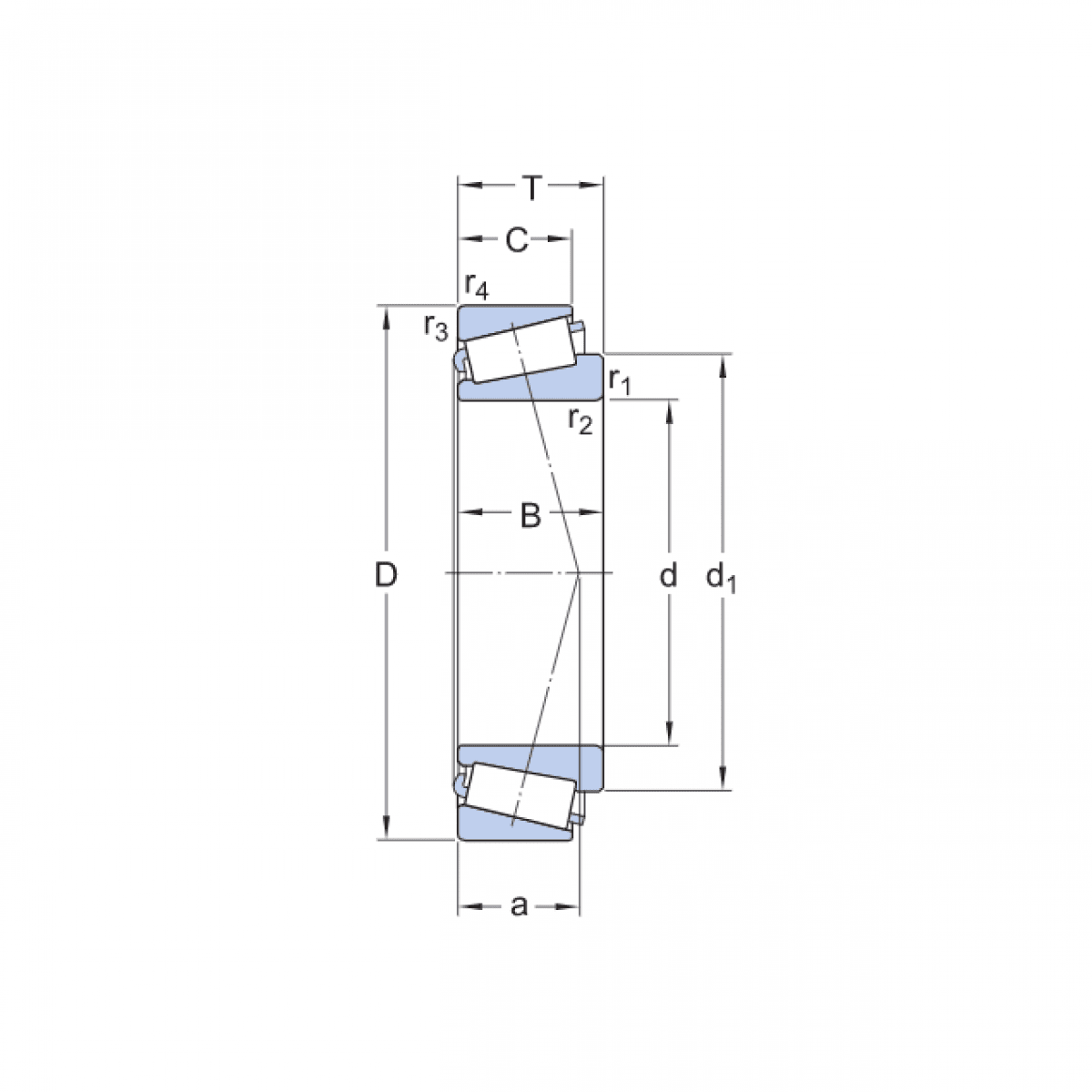
Ložisko 32205 JR - KOYO

Rozmer: 25x52x19,25 Značka: KOYO-TORRINGTON
Externý sklad na dopyt
+
-
ks