Ložisko 32206 A - FAG

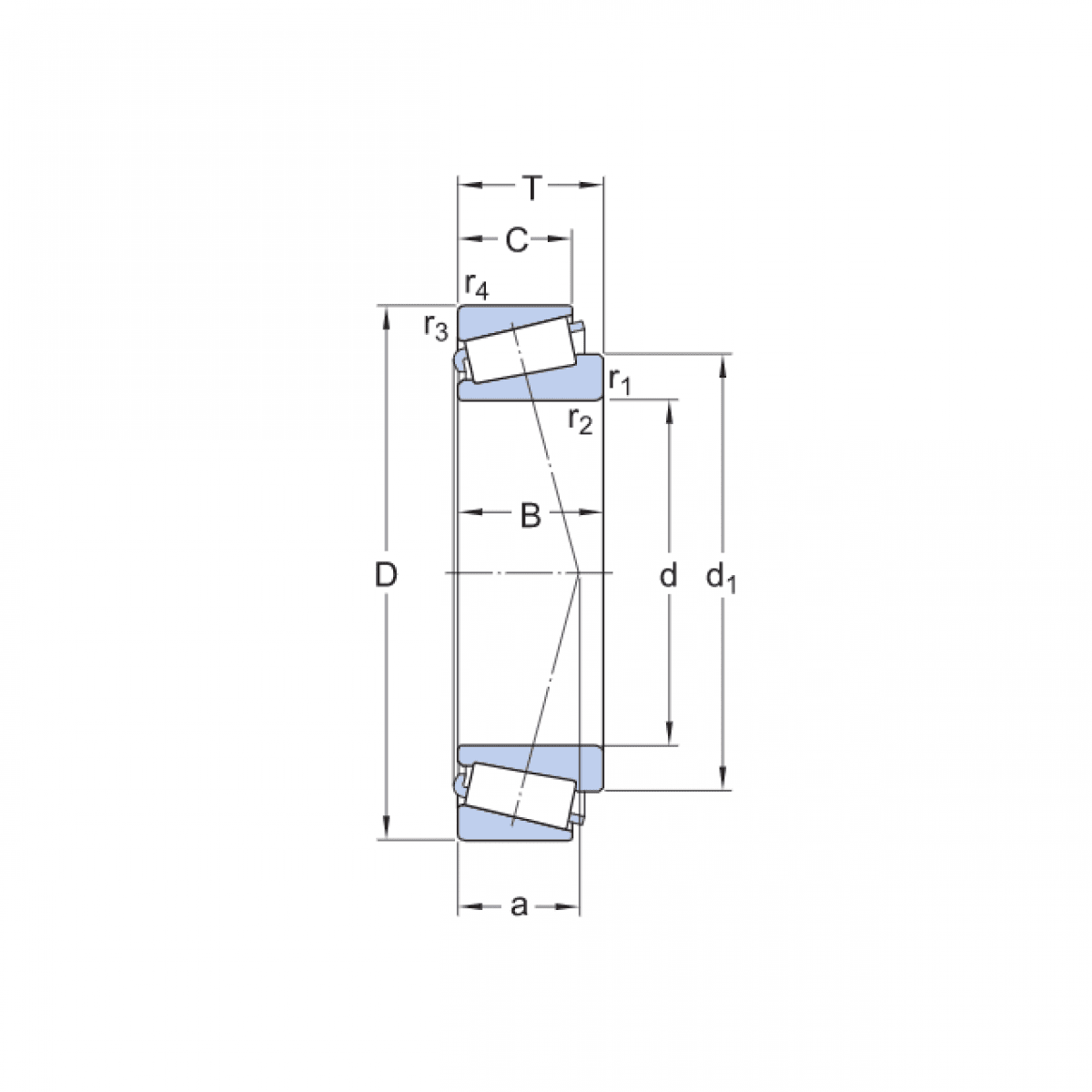
Rozmer: 30x62x21,25 Značka: FAG
Externý sklad na dopyt
+
-
ks