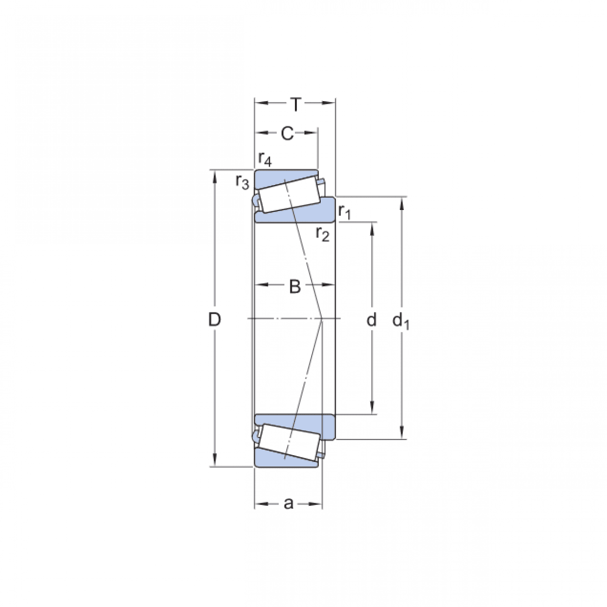
Ložisko 32206 A - ZVL-KLF

Rozmer: 30x62x21,25 Značka: ZVL
Skladom 10 ks na dopyt
+
-
ks