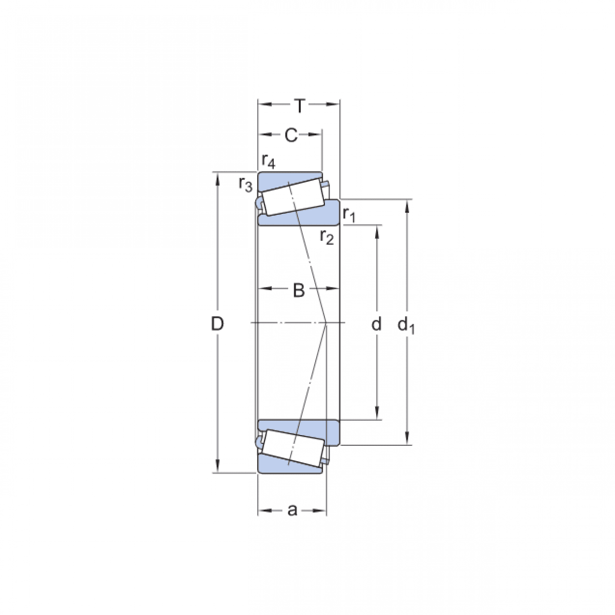
Ložisko 32206 - FBJ

Rozmer: 30x62x21,25 Značka: FBJ
Externý sklad na dopyt
+
-
ks