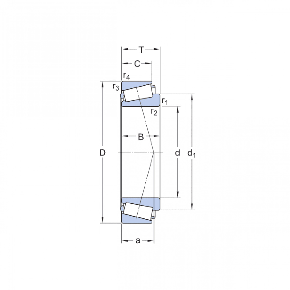
Ložisko 32206 - ISB

Rozmer: 30x62x21,25 Značka: ISB, JNS
Externý sklad na dopyt
+
-
ks