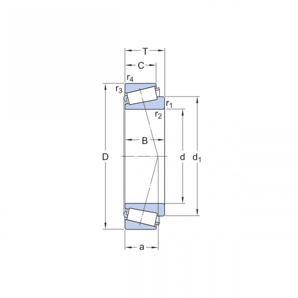
Ložisko 32206 JR - KOYO

Rozmer: 30x62x21,25 Značka: KOYO-TORRINGTON
Externý sklad na dopyt
+
-
ks