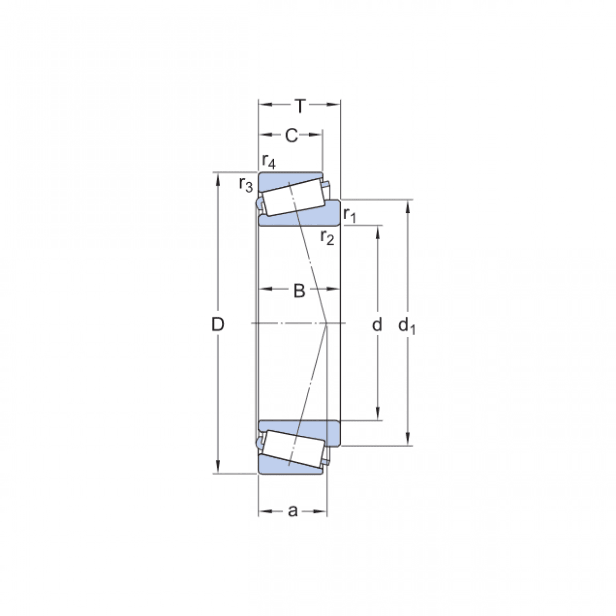
Ložisko 32206 - MTM

Rozmer: 30x62x21,25 Značka: MTM
Skladom 13 ks na dopyt
+
-
ks