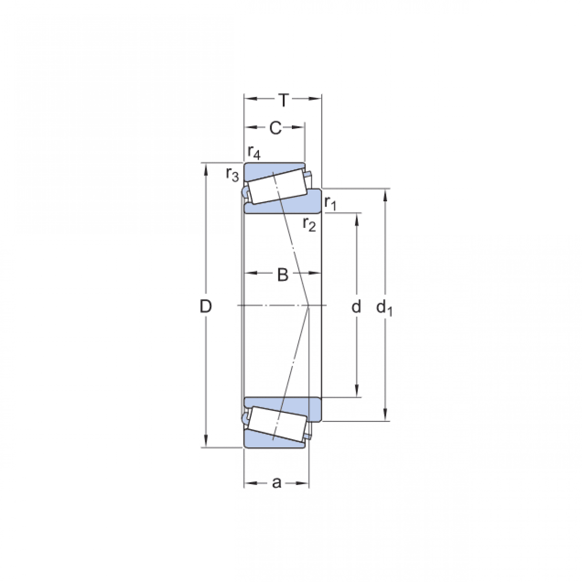
Ložisko 32206 P6 - BBC

Rozmer: 30x62x21,25 Značka: BBC
Externý sklad na dopyt
+
-
ks