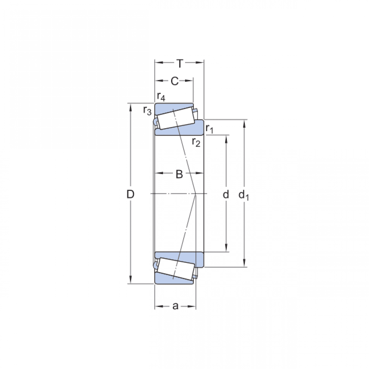
Ložisko 32207 A- FAG

Rozmer: 35x72x24,25 Značka: FAG
Externý sklad na dopyt
+
-
ks