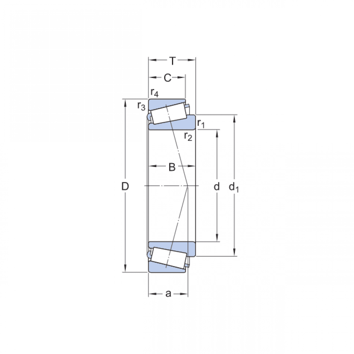
Ložisko 32207 - MTM

Rozmer: 35x72x24,25 Značka: MTM
Externý sklad na dopyt
+
-
ks