Ložisko 32208 A - ZKL NEW

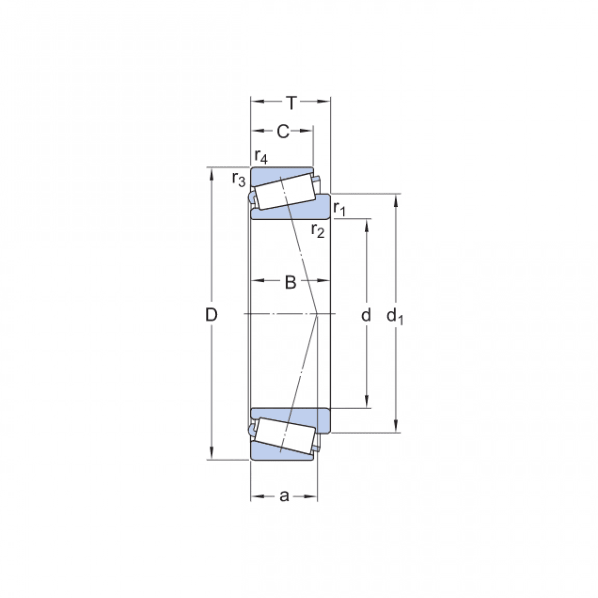
Rozmer: 40x80x24,75 Značka: ZKL
Externý sklad na dopyt
+
-
ks