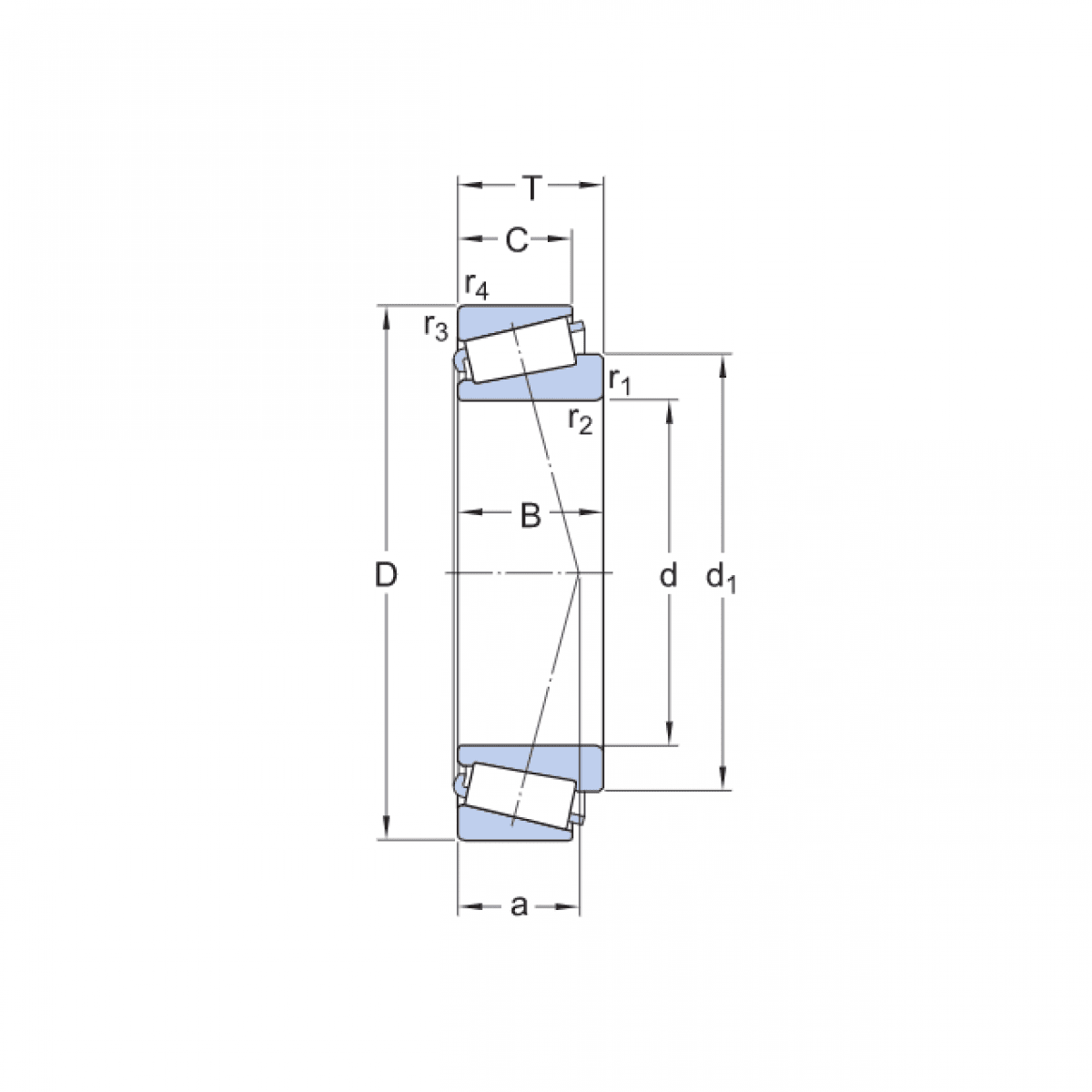
Ložisko 32208 - CX

Rozmer: 40x80x24,75 Značka: CX
Externý sklad na dopyt
+
-
ks