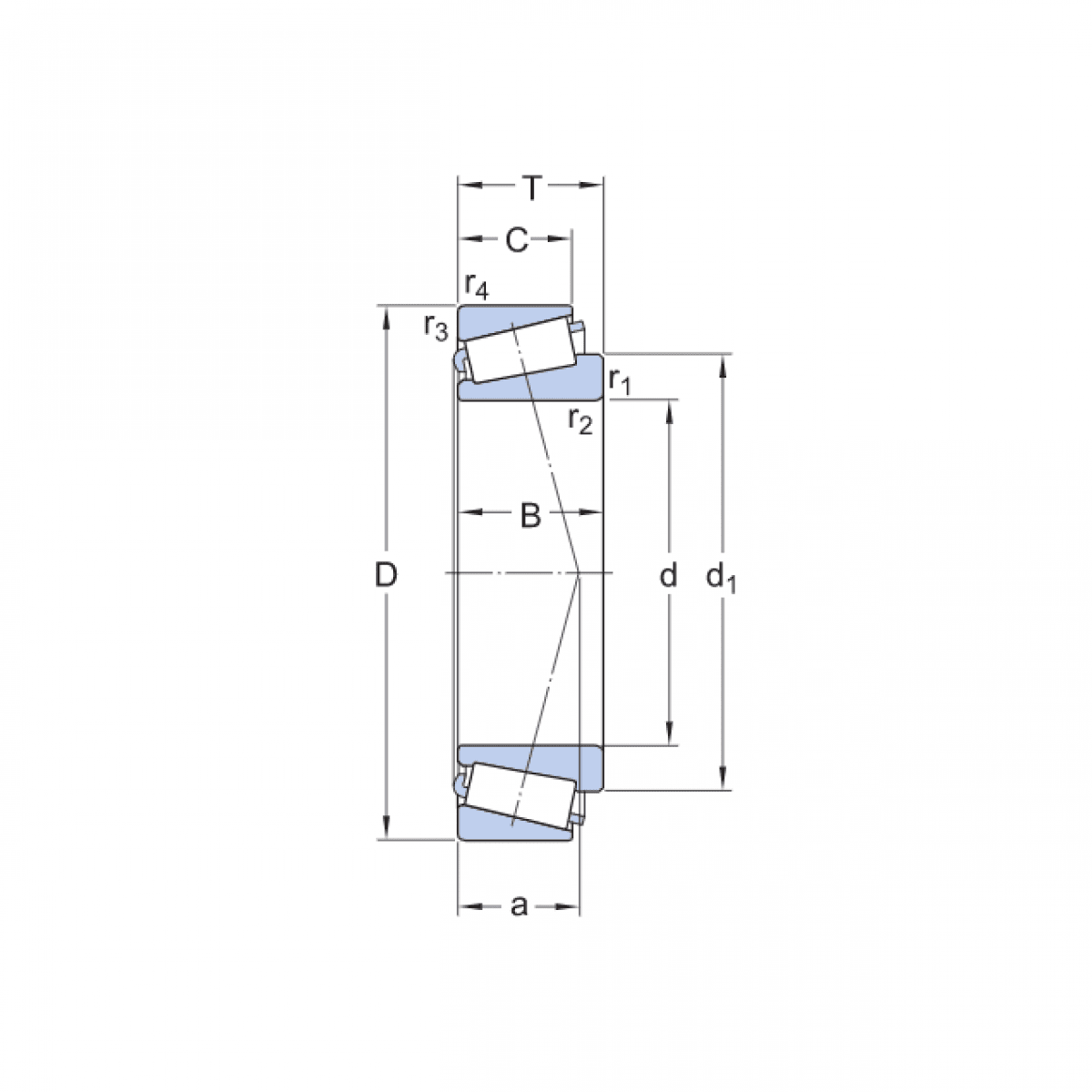
Ložisko 32208 - KBS

Rozmer: 40x80x24,75 Značka: KBS, KBC
Externý sklad na dopyt
+
-
ks