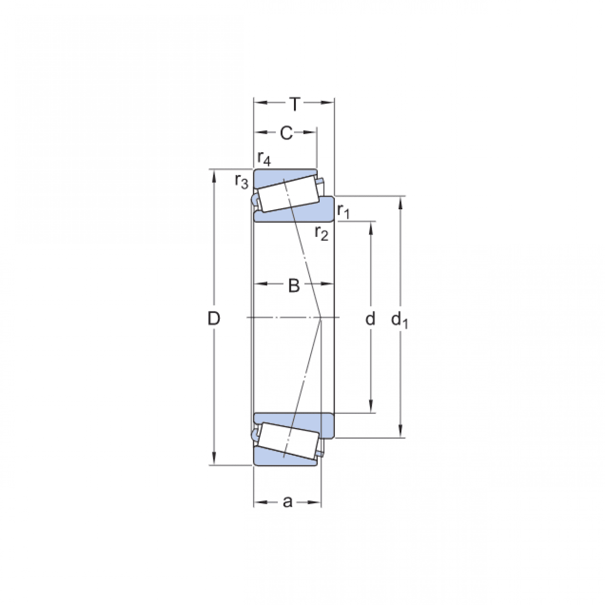
Ložisko 32209 - ISB

Rozmer: 45x85x24,75 Značka: ISB, JNS
Externý sklad na dopyt
+
-
ks